Tổng hợp 06 kích thước lavabo tiêu chuẩn mới nhất hiện nay

CEO Fuji NguyễnCEO Fuji Nguyễn

01 Tháng Một 2024

1318

Kích thước lavabo luôn là yếu tố bạn cần cân nhắc để lựa chọn sản phẩm đúng chuẩn. Khi sử dụng một chiếc chậu rửa mặt phù hợp không chỉ tạo ra sự hài hoà với không gian phòng tắm mà còn mang tới sự thoải mái cho người dùng. Nếu bạn đang phân vân về kích thước lavabo thì bài viết này là dành cho bạn.

1. Kích thước lavabo là gì? Tại sao cần quan tâm tới điều này?

Kích thước lavabo là gì? Lavabo hay còn có những tên gọi khác như chậu rửa mặt, bồn rửa mặt, là một trong những thiết bị vệ sinh không thể thiếu trong không gian nhà tắm. 

Kích thước lavabo chính là tiêu chí quan trọng trong việc người tiêu dùng có thể lựa chọn được một chiếc lavabo phù hợp với không gian và nhu cầu sử dụng. Kích thước lavabo thực tế là các thông số cụ thể theo chiều cao x chiều rộng x chiều dài.

Kích thước lavabo chính là tiêu chí quan trọng trong việc lựa chọn sản phẩm này phù hợp với không gian nhà tắm

Kích thước lavabo chính là tiêu chí quan trọng trong việc lựa chọn sản phẩm này phù hợp với không gian nhà tắm

Vậy lý do vì sao cần phải quan tâm tới kích thước lavabo? Trên thực tế, mỗi sản phẩm lavabo sẽ có các thông số khác nhau, việc nắm rõ được các kích thước lavabo tiêu chuẩn, phổ biến là điều cần thiết. Điều này sẽ mang lại những lợi ích như sau:

  • Kích thước lavabo rửa mặt phù hợp với không gian lắp đặt tạo ra sự hài hòa với các thiết bị vệ sinh khác, làm cho không gian phòng tắm có tính thẩm mỹ hơn.
  • Kích thước lavabo phù hợp với vóc dáng của các thành viên trong gia đình sẽ mang lại sự thuận tiện và thoải mái trong quá trình sử dụng.
  • Không phát sinh thêm bất cứ sự sửa chữa, đổi trả nào, tiết kiệm thời gian, chi phí.
  • Dễ dàng thi công, lắp đặt một cách nhanh chóng và chính xác.

2. Các kích thước lavabo tiêu chuẩn mới nhất, phổ biến hiện nay

Hiện nay, kích thước lavabo có rất nhiều thông số khác nhau, vì thế mà kiểu dáng của sản phẩm này cũng có những sự riêng biệt. Dưới đây là 06 kích thước lavabo tiêu chuẩn mới nhất để bạn tham khảo và tìm hiểu.

2.1. Kích thước lavabo âm bàn tiêu chuẩn là bao nhiêu?

Kích thước lavabo âm bàn tiêu chuẩn có các thông số cụ thể như sau:

  • Chiều cao lavabo khoảng 175mm – 210mm.
  • Chiều dài khoảng 550mm – 600mm.
  • Chiều rộng từ 380mm – 450mm.

Nhìn chung lavabo có thiết kế dạng âm bàn thường có phần hố và vành được lắp đặt hoàn toàn phía dưới của mặt bàn. Vì thế, khách hàng khi lắp đặt sản phẩm này nên chú ý đến cách bố trí lavabo.

Tham khảo các thông số kích thước lavabo âm tường

Tham khảo các thông số kích thước lavabo âm tường

2.2. Kích thước lavabo đặt bàn tiêu chuẩn mới

Kích thước lavabo đặt bàn có chiều cao từ 70mm – 180mm, chiều dài từ 400mm – 600mm và chiều rộng khoảng 380mm – 450mm. Khi lắp đặt lavabo đặt bàn, bạn cần chú ý đến hai phần, đó là phần chậu đặt trên mặt bàn và phần ống nước đặt ẩn ở bên dưới bàn.

Ngoài ra, kích thước bàn đá lavabo cũng được thiết kế với nhiều lựa chọn tùy thuộc vào không gian, chiều cao và nhu cầu của người sử dụng.

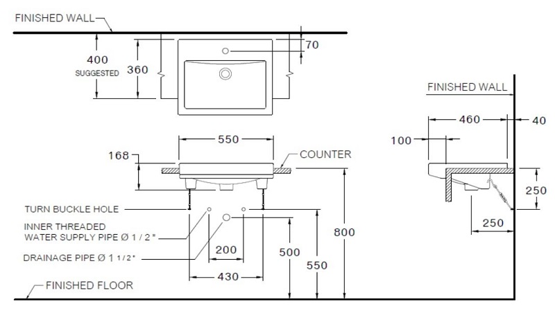
2.3. Tiêu chuẩn kích thước lavabo treo tường

Đối với loại lavabo treo tường sẽ có kích thước sản phẩm là chiều cao 190mm, chiều rộng 500mm và chiều dài 430mm.

Bên cạnh đó, chiều cao ống gắn xả chờ âm tường ước tính khoảng 510mm, ống cấp nước nóng lạnh ren ngoài 620mm và đường đính là 21mm. Tuy nhiên, tùy vào từng khoảng cách lắp đặt mà chiều cao của lavabo so với mặt đất cũng khác nhau.

Có thể thấy, lavabo treo tường khá phổ biến trên thị trường, có giá thành kinh tế, thiết kế nhỏ gọn, phù hợp với mọi không gian. Chính vì thế, sản phẩm đã trở thành sự lựa chọn hàng đầu của rất nhiều gia đình.

2.4. Tiêu chuẩn kích thước lavabo dương vành

Lavabo dương vành là một kiểu thiết kế có phần hố sẽ nằm ở dưới mặt bàn, khá giống với mẫu lavabo âm bàn. Tuy nhiên phần vành của chậu rửa mặt sẽ nằm ở phía bên trên của mặt bàn. 

Thông thường, kích thước tiêu chuẩn của lavabo dương vành như sau:

  • Chiều cao khoảng 175mm – 198mm.
  • Chiều rộng từ 700mm – 1011mm.
  • Chiều dài ước tính khoảng 480mm – 486mm.
Tiêu chuẩn kích thước lavabo dương vành

Tiêu chuẩn kích thước lavabo dương vành

2.5. Kích thước lavabo góc tiêu chuẩn mới nhất hiện nay

Nhắc đến lavabo góc, chúng ta sẽ nghĩ ngay tới một mẫu bồn rửa mặt có thiết kế vô cùng đặc biệt, rất phù hợp với không gian nhà tắm, nhà vệ sinh nhỏ hẹp. Khi sử dụng lavabo kiểu này, bạn sẽ tận dụng được tối đa các góc và không gian sẵn có.

Kích thước chậu rửa mặt lavabo thiết kế dạng góc cụ thể là:

  • Chiều cao khoảng từ 130mm – 150mm.
  • Chiều dài rơi vào khoảng 350mm – 400mm.
  • Chiều rộng từ 350mm – 400mm.

2.6. Kích thước lavabo đôi tiêu chuẩn

Kích thước lavabo đôi là thiết kế khá độc đáo và đẹp mắt khi sản phẩm là sự kết hợp từ hai chiếc chậu rửa mặt mang phong cách hiện đại. Lavabo đôi rất phù hợp với những không gia phòng tắm có diện tích rộng rãi và gia đình đông thành viên.

Kích thước tiêu chuẩn của lavabo đôi cụ thể như sau:

  • Chiều cao lavabo đôi là 170mm – 200mm.
  • Chiều dài khoảng 1100mm – 1210mm.
  • Chiều rộng từ 450mm – 500mm/
  • Khoảng cách giữa hai bồn rửa mặt là 180mm – 200mm.
Kích thước lavabo đôi phù hợp với không gian nhà tắm rộng rãi

Kích thước lavabo đôi phù hợp với không gian nhà tắm rộng rãi

3. Những lưu ý khi thiết kế kích thước bàn đá lavabo

Kích thước lavabo vốn là điều được ưu tiên hàng đầu khi gia đình có ý định chọn mua và sử dụng sản phẩm. Bên cạnh đó, việc quan tâm đến kích thước bàn đá lavabo cũng cần được cân nhắc, quan tâm. Dưới đây là một số lưu ý khi thiết kế bàn đá lavabo.

3.1. Tính toán thông số kích thước ống xả đi kèm

Kích thước lavabo tiêu chuẩn thì ống xả đi kèm cũng cần được thiết kế một cách đúng chuẩn và phù hợp nhất. Để đảm bảo nguồn nước sử dụng có lực đẩy mạnh, vị trí gắn ống xả phải tương xứng với chiều cao của người sử dụng.

Thông thường, chiều cao gắn ống xả là 500mm so với sàn nhà tắm, nhà vệ sinh. Chiều cao tính từ sàn đến lavabo khoảng 700mm – 850mm (đối với chậu rửa mặt dành cho người lớn) và từ 500mm – 600mm (đối với chậu rửa mặt dành cho trẻ nhỏ).

3.2. Tính toán kích thước tủ lavabo

Nếu gia đình bạn có mong muốn lắp đặt thêm tủ lavabo, tham khảo ngay các thông số kích thước cụ thể của sản phẩm dưới đây:

  • Kích thước chiều dài của tủ lavabo khoảng 700mm – 1000mm.
  • Kích thước tủ lavabo chiều rộng từ 450mm – 900mm.
  • Kích thước tủ lavabo theo chiều sâu khoảng 400mm – 60mm.
  • Khung gương tủ lavabo là 700mm – 800mm.
  • Khoảng cách khung dưới gương và bồn rửa ước tính khoảng 300mm – 500mm.
Lưu ý tính toán kích thước tủ lavabo phù hợp với nội thất của căn phòng

Lưu ý tính toán kích thước tủ lavabo phù hợp với nội thất của căn phòng

4. Nên mua lavabo có kích thước tiêu chuẩn, chất lượng ở đâu?

Kích thước lavabo tiêu chuẩn phù hợp với không gian sẽ đảm bảo được tính thẩm mỹ và sự tiện lợi cho người sử dụng. Để đảm bảo chất lượng, bạn nên chọn mua lavabo và bàn đá lavabo tại các đơn vị cung cấp sản phẩm có tiếng trên thị trường.

KUTO là một trong những thương hiệu thiết bị vệ sinh Nhật Bản cao cấp, chính hãng và uy tín nhất trên thị trường Việt Nam hiện nay. Chúng tôi chuyên cung cấp các dòng sản phẩm chậu rửa mặt với mẫu mã, kiểu dáng đa dạng, phong phú, mang đến cho quý khách hàng nhiều sự lựa chọn. Nếu bạn muốn thăm quan, trải nghiệm sản phẩm hoặc lắng nghe tư vấn từ KUTO, hãy liên hệ với chúng tôi tại đây

Trên đây là thông tin về 06 kích thước lavabo tiêu chuẩn mới nhất trên thị trường hiện nay. Hy vọng qua bài viết này, bạn sẽ có nhiều kiến thức hơn về kích thước lavabo cũng như sẽ dễ dàng hơn trong việc lựa chọn sản phẩm phù hợp nhất với không gian và nhu cầu của mình.

Xem thêm:

CEO Fuji Nguyễn
CEO Fuji Nguyễn

CEO Fuji Nguyễn là doanh nhân, hiện đang là Giám Đốc công ty Kuto Nhật Bản, có nhiều năm kinh nghiệm trên thương trường.